MR2 Owners Club Forum banner
21 - 40 of 64 Posts
Discussion starter · #21 ·
Question is, why do you need the aftermarket relay? Where is it located?
Like @Alex W mentions, you can use the old pump power wire to activate the new relay. I have done this for a mates car where we are running a DW300 340lph pump with significantly larger wiring.
For me I might end up upgrading the OEM wiring which will be a mission but worth if for my OCD.
The aftermarket relay is next to the glove box under the dash.
 
I was not able to get the OEM FPR system to work. Another used OEM relay I got from eBay still didn’t fix the problem. I spent a lot of time tinkering with this issue, got sick and tired of it and just left it alone. Then I found the diagram on how to wire a relay to a fuel pump and I’ve been running with it. So, now I got time on my hand and trying to go at it again to see if I can get the OEM FPR back to functionally.
I’m not getting any power on FPR plug pin 3 when key in IGN. View attachment 84321
Ok. I see.

So with the key in the ON position you should get power to the Circuit Opening Relay pin 2. You will not get power to the Fuel Pump Relay until you turn the key to STA or have a running engine.
Image
Image

Image
 
Discussion starter · #23 ·
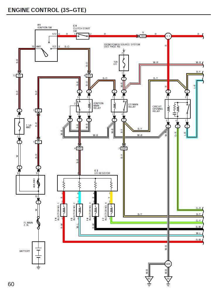
Ok. So next we look at the OEM fuel pump relay. By default if the ECU is not doing any controlling of the relay it should send power from pin 5 to pin 2. Then to the resistor. If the ECU grounds the FPR pin power should go from pin 5 to pin 3.

Check continuity from the FPR pin 3 to the fuel pump. Do the same from the resistor pin 2 to the fuel pump.
 
Discussion starter · #25 ·
Ok. So next we look at the OEM fuel pump relay. By default if the ECU is not doing any controlling of the relay it should send power from pin 5 to pin 2. Then to the resistor. If the ECU grounds the FPR pin power should go from pin 5 to pin 3.

Check continuity from the FPR pin 3 to the fuel pump. Do the same from the resistor pin 2 to the fuel pump.
That’s the next question I was gonna ask, how to test for continuity. I will do that next.
BTW, your mention pin 5, I only see 4 pins in the plug.
 
That’s the next question I was gonna ask, how to test for continuity. I will do that next.
My multimeter has a continuity feature where it will beep if the probes are touching a wire at both ends that are connected. Or you can use the Ohms/resistance function to pick up if there is any contact between the 2.
BTW, your mention pin 5, I only see 4 pins in the plug.
Yeah there are only 4 pins but there are 6 position on the Fuel pump relay.
Image

Image
 
My multimeter has a continuity feature where it will beep if the probes are touching a wire at both ends that are connected. Or you can use the Ohms/resistance function to pick up if there is any contact between the 2.

Yeah there are only 4 pins but there are 6 position on the Fuel pump relay and pin 2 of resistor.

View attachment 84329
View attachment 84330
does the engine has to be running to check for continuity?
Yup, I have a multimeter and I will check for continuity between pin 3 and Fuel pump connector
 
Discussion starter · #31 ·
Ok, solved! I ran a good size gauge wire from FP relay pin 3 directly to FP. I tested it, if the engine shut off, the FP is cut off and there is no power when key is turned to IGN. This is a peace of mind knowing fuel will shut off in an event of a fuel line ruptured.
unfortunately my chassis is an NA with 3sgte swapped so the OEM FPR and FP resistor pack set will not get power to the FP with the factory wires.
 
Ok. So NA chassis but does I have a 3SGTE body harness? As that is the only way you will have any wiring for he FPR relay and resistor. If it's the NA chassis wiring then it goes directly from the circuit opening relay to the fuel pump.
 
Discussion starter · #33 ·
Ok. So NA chassis but does I have a 3SGTE body harness? As that is the only way you will have any wiring for he FPR relay and resistor. If it's the NA chassis wiring then it goes directly from the circuit opening relay to the fuel pump.
No, I used the NA body harness. Hence, there’s no continuity from FPR to FP.
At any rate, I was able to wired a new lead from pin 3 to the FP.
thanks for you help.
 
Discussion starter · #37 ·
No. The relay and resistor are not. The fuel injector resistor is.
Update! I finally got the Factory FP Relay and FP resistor back to functionality as intended. I simply spliced a new lead wire from FP resistor pin 2 to FP connector under the ash tray. This also retains the Diagnostic Port functionality for +B and FP for simplicity of troubleshooting fuel delivery.
a huge thanks to you for your advice.
Image
 
I don't think that is going to work as Toyota intended. You will only have a slow pump speed meaning that at boost and on start up you won't have enough fuel pressure to run safely.

Unless I'm missing something.
Can you show me where you have the relay and resistor spliced into the NA body harness. It's a bit more complex than just a simple splice based on what you have shown.
 
Discussion starter · #39 ·
I don't think that is going to work as Toyota intended. You will only have a slow pump speed meaning that at boost and on start up you won't have enough fuel pressure to run safely.

Unless I'm missing something.
Can you show me where you have the relay and resistor spliced into the NA body harness. It's a bit more complex than just a simple splice based on what you have shown.
The FP relay and Resistor are plugged into the round female connector and on small plug from the resistor pack with 2 pins. I did not spliced them into the NA harness. All the Connectors are there and I just plug and play. According to the diagram Pin 2 from the resistor is spliced (E2) with pin 3 from the FP relay. From what I understand is that when the engine is cranking, pin 3 from relay is activated for full speed run til some time later it switches to the resistor for low speed run and switch back and forth. For some reason there is no continuity from FP relay Pin 3 or Resistor pin 2 to FP connector under ashtray. I went ahead and run a new wire from engine bay to FP and spliced the new wire in engine into Resistor pin 2 just before the Splice point (E2). So, the only way to get power to the FP is via new wire.
If you look at the diagram, E2 is where Toyota spliced the wires, unless there’s some sort of Diode being used there to control the flow of electricity.
I hope my explanation make any sense. Remember, I’m working with a 1991 NA and you’re used to 93 plus. The diagram you posted is a slight diff than the one I’m working with.
 
The FP relay and Resistor are plugged into the round female connector and on small plug from the resistor pack with 2 pins. I did not spliced them into the NA harness. All the Connectors are there and I just plug and play. According to the diagram Pin 2 from the resistor is spliced (E2) with pin 3 from the FP relay. From what I understand is that when the engine is cranking, pin 3 from relay is activated for full speed run til some time later it switches to the resistor for low speed run and switch back and forth. For some reason there is no continuity from FP relay Pin 3 or Resistor pin 2 to FP connector under ashtray. I went ahead and run a new wire from engine bay to FP and spliced the new wire in engine into Resistor pin 2 just before the Splice point (E2). So, the only way to get power to the FP is via new wire.
If you look at the diagram, E2 is where Toyota spliced the wires, unless there’s some sort of Diode being used there to control the flow of electricity.
I hope my explanation make any sense. Remember, I’m working with a 1991 NA and you’re used to 93 plus. The diagram you posted is a slight diff than the one I’m working with.
Ok. Noted. Will use the 91 diagram.
So if you have a 91 NA body harness you should not have the round 4 pin plug connected to the relay nor the rectangle 2 pin plug connected to the resistor. The second resistor here is the fuel injector resistor so ignore that as it not part of the system.
If you do, then it is a turbo body harness.

OK so lets run through the OEM system and then how you have wired it.

OEM you have the Circuit Opening Relay which sends power from the Main EFI Relay to the Fuel Pump Resistor Relay. It can only do this when the key is in the STA position and when the engine is running. The FC pin grounds through the ECU controlling the safety part of the system.
Once the Fuel Pump Resistor Relay has power to pin 3 it will by default send power to pin 4 through the Fuel Pump Resistor then to splice point E2 then on to the pump. This will make the pump run at slow speed.
When the ECU deems necessary it will ground pin 1 of the Fuel Pump Resistor Relay switching it so power runs from Pin 3 to Pin 2 sending the full 12v to pump making it's speed fast.

You mention that you get power to pin 3 of the FPR Relay which makes sense. That comes from the COPN Relay. You should then have power going through the relay to pin 2 or 4 depending on what the ECU wants.
So based on your red line diagram you have added a wire from Pin 2 of the resistor to the fuel pump direct? And if you do not have this wire installed the pump does not run?
So this means you do not have the ECU switching the relay to get power from Pin 2 of the FPR Relay. You need to run a wire from Pin 2 of the relay to the pump to make the system work fully.

You need to confirm the relay is switching.

You mention there is no continuity between pin 2 of the resistor and fuel pump and also pin 2 of the relay and the fuel pump?
Image
 
21 - 40 of 64 Posts